F11 series universal dividing head
DESCRIPTION
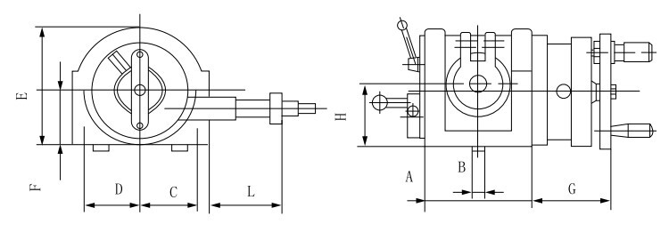
Universal dividing head, type F11100A, F11125A, F11160A is one of the most important attachment for milling machine. With the help of this dividing head the workpiece held between centers, or on a chuck can be rotate to any angle as desired and the periphery of a workpiece can be divided into an divisions of equal parts. By means of all kind of cutters, the dividing head can also help milling machine to perform the milling operation for flute spur gear, spiral gear, spiral flute, archimedean cam, helical flute and etc.
The dividing head is equipped with a face plate that can be mounted on to the spindle nose. The workpiece can be mounted on the face plate. Thus cutting can be carried out on 4-sides of a workpiece.
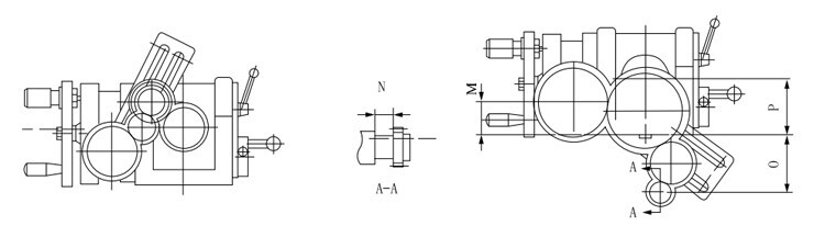
F11125C, F11160C is designed for the customers special needed, the shafting is improved to support heavy load.
The universal dividing head, type F11100AL, F11125AL, F11160AL, is the same os of the structures and the operation handle is setted on the left.
SPECIFICATIONS
ACCESSORIES
Tailstock
Change gear bracket
12*change gear
Jack
Center
Dividing plate
Flange
3-jaw chuck
REQUEST A QUOTE
CONTACT
Opening Hours:
Monday/Sunday
24Hours
+86-15318444939
Sales@tsinfa.com






